• 浙江省杭州市临平区
  • sales@oubang-motor.com
  • 周一至周六:上午8点至下午8点
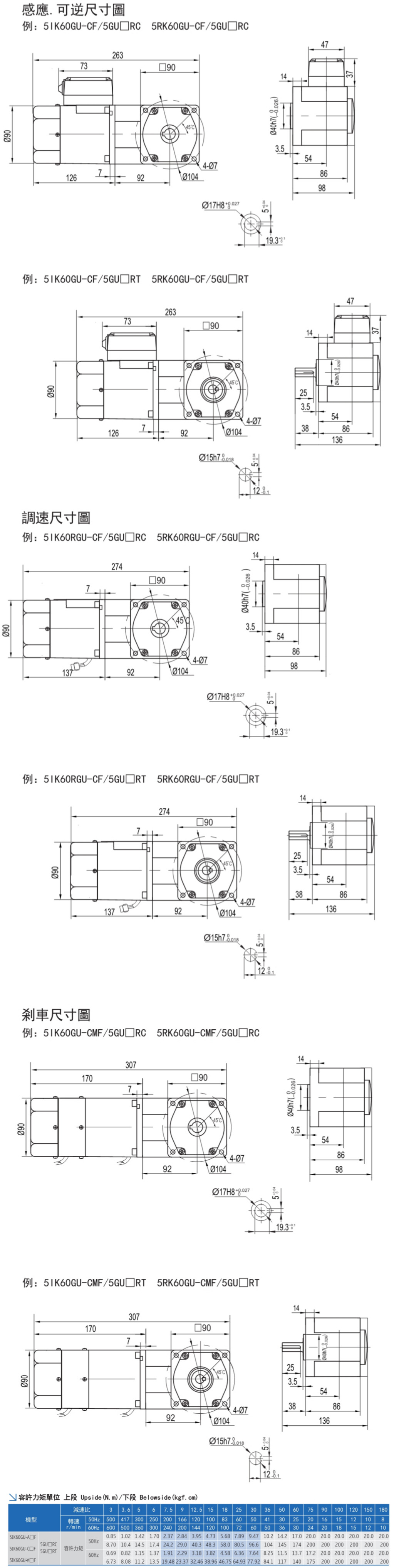
60W-RC/RT直角减速机
60W-RC/RT直角减速机
60W-RC/RT直角减速机

1、小体积,传动效率高。2、大扭矩、齿轮模数大。3、超低噪音、样式安全美观。4、 高速比、机体可实现段变数。5、安全方便、节约成本。6、机型品种齐全,可配刹车、调速、阻尼效果。

更新时间

2026-03-17

厂商性质

浏览量

812

或拨打:13815577445

产品详情

5.png-2026-03-17-11-16-51-589.jpg

60-1.jpg

60-2.jpg


在线询盘

留言框

  • 产品标题:

  • 单位名称:

  • 联系电话:

  • 留言内容: