欢
迎
光
临
歐
邦
电
机
浙江省杭州市临平区
sales@oubang-motor.com
周一至周六:上午8点至下午8点
联系我们
首页
关于我们
公司评价
设备展示
选择我们
新闻中心
产品中心
微型减速马达
6W-250W减速马达
电磁刹车减速电机
RC/RT直角减速电机
力矩减速电机
立卧式减速机
GV-立式三相齿轮减速马达
GH- 卧式三相齿轮减速马达
直流减速电机
直流有刷电机
蜗轮蜗杆减速机
NRV-E系列
NRV-系列
NMRV-E系列
NMRV-系列
精密行星减速机
高精密直齿行星减速机-PL/PF系列
高精密斜齿行星减速机-AB系列
高精密斜齿盘式行星减速机-AD系列
高精密斜转角式行星减速机-ABR系列
高精密斜齿行星减速机-DH系列
下载中心
微型减速马达
6W-400W减速马达
中型齿轮电机
GH- 卧式三相齿轮减速马达
GV- 立式三相齿轮减速马达
直角减速马达
RC-中空孔输出减速马达
RT-实心轴输出减速马达
我们案例
联系我们
致电我们
13815577445
首页
>
下载中心
>
微型减速马达
>
6W-400W减速马达
>
90mm微型减速马达
下载中心
90mm微型减速马达
产品背隙(功率)
40W~180W
减速机段数(转速)
3~750K
下载图纸
5IK40-60(R)A-CMF
下载模型
下载图纸
预览图纸
5IK40-60(R)A-CMFT
下载模型
下载图纸
预览图纸
5IK40-60(R)GA-CMF(轴11键4)
下载模型
下载图纸
预览图纸
5IK40-60(R)GA-CMFT(轴11键4)
下载模型
下载图纸
预览图纸
5IK40-60GA-CTF(轴11键4)
下载模型
下载图纸
预览图纸
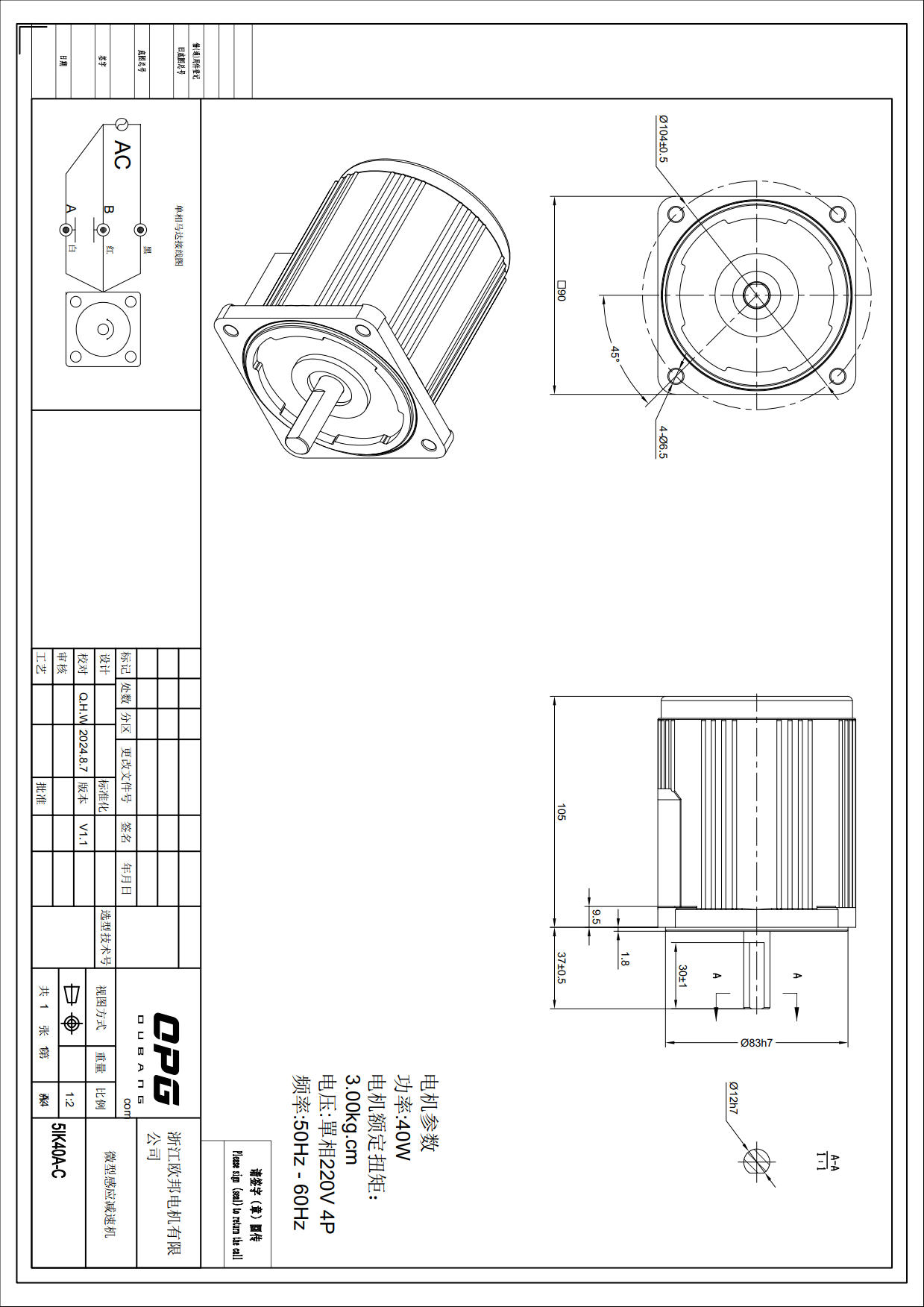
5IK40A-C
下载模型
下载图纸
预览图纸
5IK40A-CT
下载模型
下载图纸
预览图纸
5IK40GA-C(轴11键4)
下载模型
下载图纸
预览图纸
5IK40GN-A(C-Y)-5GN3-18K
下载模型
下载图纸
预览图纸
5IK40GN-A(C-Y)-5GN3-18KB
下载模型
下载图纸
预览图纸
5IK40GN-A(C-Y)-5GN20-200K
下载模型
下载图纸
预览图纸
5IK40GN-A(C-Y)-5GN20-200KB
下载模型
下载图纸
预览图纸
5IK40GN-A(C-Y)MF-5GN3-18K
下载模型
下载图纸
预览图纸
5IK40GN-A(C-Y)MF-5GN3-18KB
下载模型
下载图纸
预览图纸
5IK40GN-A(C-Y)MF-5GN20-200K
下载模型
下载图纸
预览图纸
5IK40GN-A(C-Y)MF-5GN20-200KB
下载模型
下载图纸
预览图纸
5IK40GN-A(C-Y)MFT-5GN3-18K
下载模型
下载图纸
预览图纸
5IK40GN-A(C-Y)MFT-5GN3-18KB
下载模型
下载图纸
预览图纸
5IK40GN-A(C-Y)MFT-5GN20-200K
下载模型
下载图纸
预览图纸
5IK40GN-A(C-Y)MFT-5GN20-200KB
下载模型
下载图纸
预览图纸
5IK40GN-A(C-Y)T-5GN3-18K
下载模型
下载图纸
预览图纸
5IK40GN-A(C-Y)T-5GN3-18KB
下载模型
下载图纸
预览图纸
5IK40GN-A(C-Y)T-5GN20-200K
下载模型
下载图纸
预览图纸
5IK40GN-A(C-Y)T-5GN20-200KB
下载模型
下载图纸
预览图纸
5IK40GU-A(C-Y)-5GU3-750K
下载模型
下载图纸
预览图纸
5IK40GU-A(C-Y)MF-5GU3-750K
下载模型
下载图纸
预览图纸
5IK40GU-A(C-Y)MF-5GU3-750KB
下载模型
下载图纸
预览图纸
5IK40GU-A(C-Y)MFT-5GU3-750K
下载模型
下载图纸
预览图纸
5IK40GU-A(C-Y)MFT-5GU3-750KB
下载模型
下载图纸
预览图纸
5IK40GU-A(C-Y)T-5GU3-750K
下载模型
下载图纸
预览图纸
5IK40GU-A(C-Y)T-5GU3-750KB
下载模型
下载图纸
预览图纸
5IK40RA-CT
下载模型
下载图纸
预览图纸
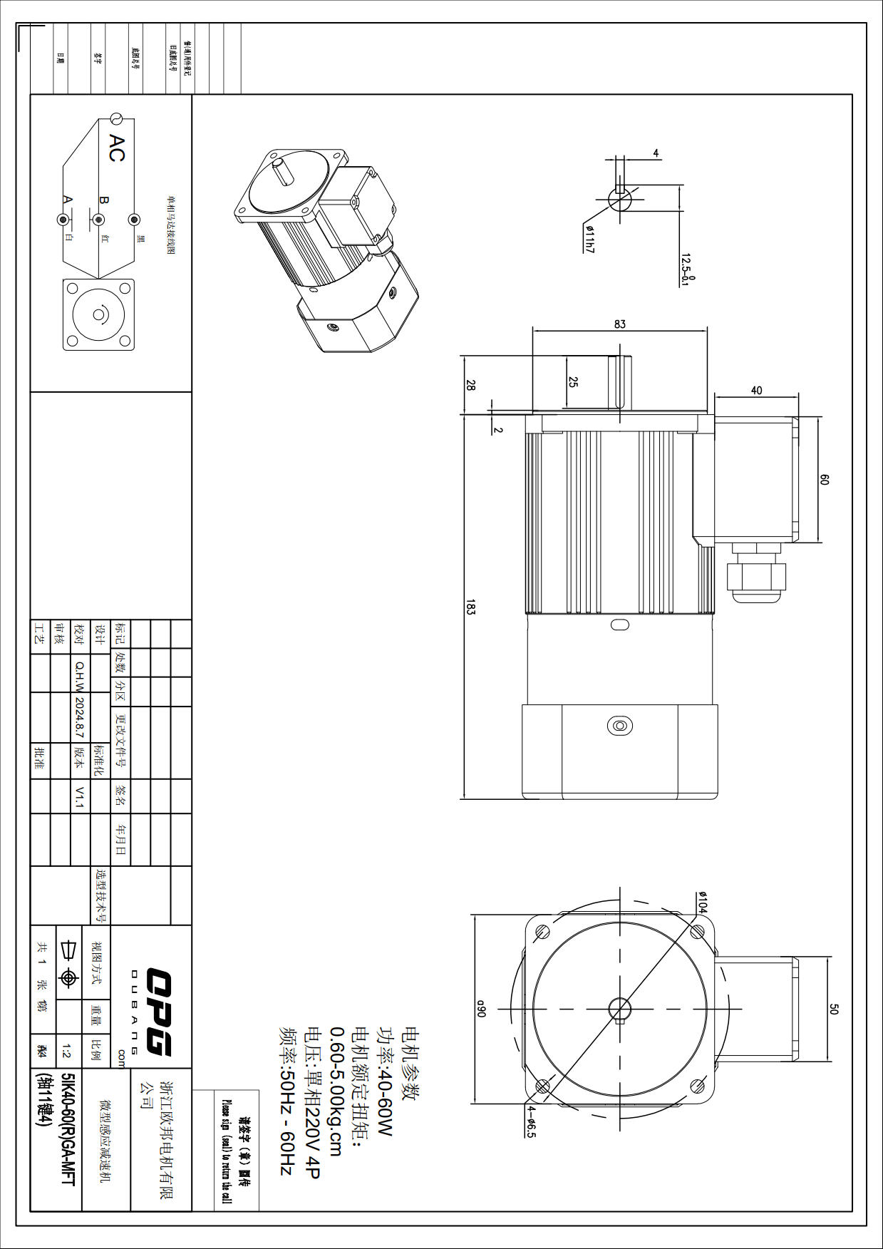
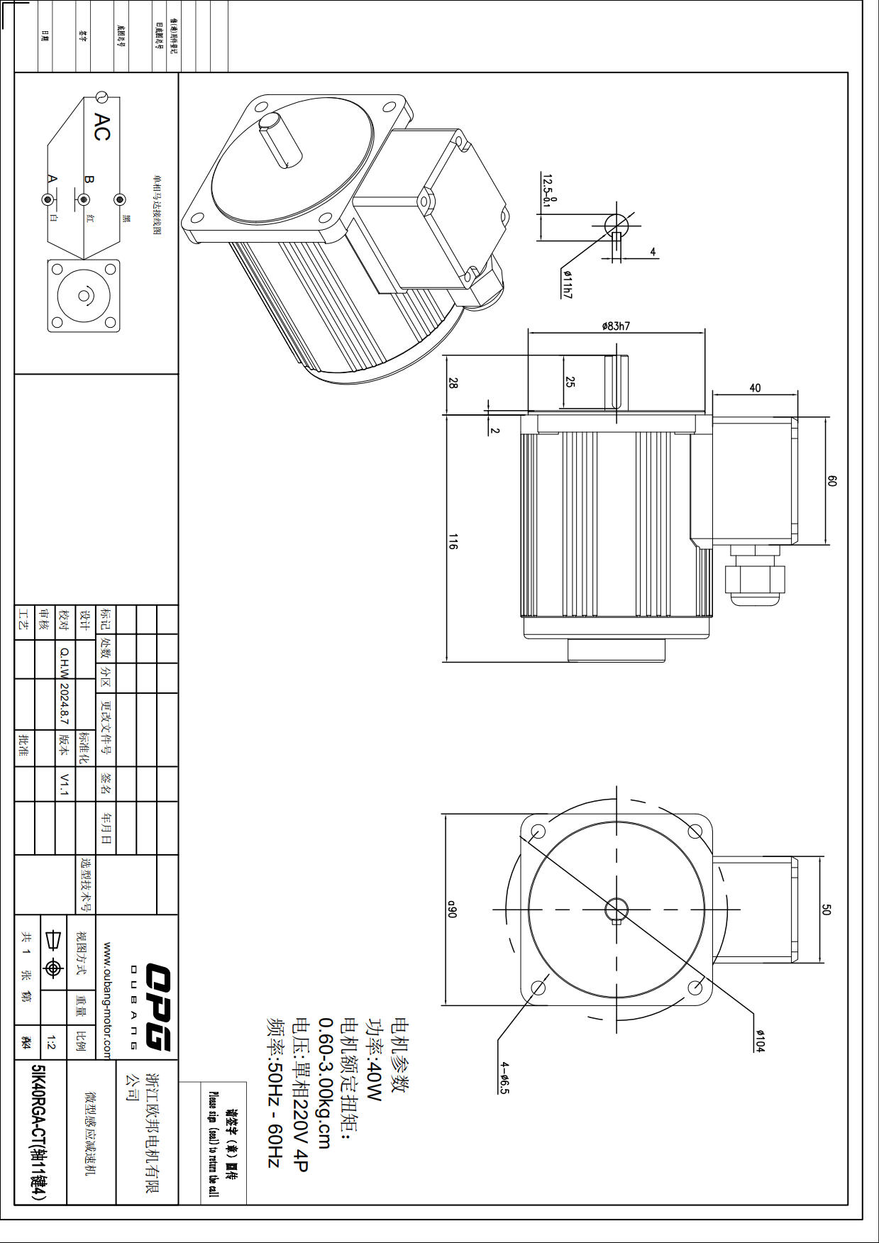
5IK40RGA-C(轴11键4)
下载模型
下载图纸
预览图纸
5IK40RGA-CT(轴11键4)
下载模型
下载图纸
预览图纸
5IK40RGN-A(C)-5GN3-18K
下载模型
下载图纸
预览图纸
5IK40RGN-A(C)-5GN3-18KB
下载模型
下载图纸
预览图纸
5IK40RGN-A(C)-5GN20-200K
下载模型
下载图纸
预览图纸
5IK40RGN-A(C)-5GN20-200KB
下载模型
下载图纸
预览图纸
5IK40RGN-A(C)MF-5GN3-18K
下载模型
下载图纸
预览图纸
5IK40RGN-A(C)MF-5GN3-18KB
下载模型
下载图纸
预览图纸
5IK40RGN-A(C)MF-5GN20-200K
下载模型
下载图纸
预览图纸
5IK40RGN-A(C)MF-5GN20-200KB
下载模型
下载图纸
预览图纸
5IK40RGN-A(C)MFT-5GN3-18K
下载模型
下载图纸
预览图纸
5IK40RGN-A(C)MFT-5GN3-18KB
下载模型
下载图纸
预览图纸
5IK40RGN-A(C)MFT-5GN20-200K
下载模型
下载图纸
预览图纸
5IK40RGN-A(C)MFT-5GN20-200KB
下载模型
下载图纸
预览图纸
5IK40RGN-A(C)T-5GN3-18K
下载模型
下载图纸
预览图纸
5IK40RGN-A(C)T-5GN3-18KB
下载模型
下载图纸
预览图纸
5IK40RGN-A(C)T-5GN20-200K
下载模型
下载图纸
预览图纸
5IK40RGN-A(C)T-5GN20-200KB
下载模型
下载图纸
预览图纸
5IK40RGU-A(C)-5GU3-750K
下载模型
下载图纸
预览图纸
5IK40RGU-A(C)-5GU3-750KB
下载模型
下载图纸
预览图纸
5IK40RGU-A(C)MF-5GU3-750K
下载模型
下载图纸
预览图纸
5IK40RGU-A(C)MF-5GU3-750KB
下载模型
下载图纸
预览图纸
5IK40RGU-A(C)MFT-5GU3-750K
下载模型
下载图纸
预览图纸
5IK40RGU-A(C)MFT-5GU3-750KB
下载模型
下载图纸
预览图纸
5IK40RGU-A(C)T-5GU3-750K
下载模型
下载图纸
预览图纸
5IK40RGU-A(C)T-5GU3-750KB
下载模型
下载图纸
预览图纸
5IK60GN-A(C-Y)-5GN3-18K
下载模型
下载图纸
预览图纸
5IK60GN-A(C-Y)-5GN3-18KB
下载模型
下载图纸
预览图纸
5IK60GN-A(C-Y)-5GN20-200K
下载模型
下载图纸
预览图纸
5IK60GN-A(C-Y)-5GN20-200KB
下载模型
下载图纸
预览图纸
5IK60GN-A(C-Y)MF-5GN3-18K
下载模型
下载图纸
预览图纸
5IK60GN-A(C-Y)MF-5GN3-18KB
下载模型
下载图纸
预览图纸
5IK60GN-A(C-Y)MF-5GN20-200K
下载模型
下载图纸
预览图纸
5IK60GN-A(C-Y)MF-5GN20-200KB
下载模型
下载图纸
预览图纸
5IK60GN-A(C-Y)MFT-5GN3-18K
下载模型
下载图纸
预览图纸
5IK60GN-A(C-Y)MFT-5GN3-18KB
下载模型
下载图纸
预览图纸
5IK60GN-A(C-Y)MFT-5GN20-200K
下载模型
下载图纸
预览图纸
5IK60GN-A(C-Y)MFT-5GN20-200KB
下载模型
下载图纸
预览图纸
5IK60GN-A(C-Y)T-5GN3-18K
下载模型
下载图纸
预览图纸
5IK60GN-A(C-Y)T-5GN3-18KB
下载模型
下载图纸
预览图纸
5IK60GN-A(C-Y)T-5GN20-200K
下载模型
下载图纸
预览图纸
5IK60GN-A(C-Y)T-5GN20-200KB
下载模型
下载图纸
预览图纸
5IK60GU-A(C-Y)-5GU3-750K
下载模型
下载图纸
预览图纸
5IK60GU-A(C-Y)-5GU3-750KB
下载模型
下载图纸
预览图纸
5IK60GU-A(C-Y)MF-5GU3-750K
下载模型
下载图纸
预览图纸
5IK60GU-A(C-Y)MF-5GU3-750KB
下载模型
下载图纸
预览图纸
5IK60GU-A(C-Y)MFT-5GU3-750K
下载模型
下载图纸
预览图纸
5IK60GU-A(C-Y)MFT-5GU3-750KB
下载模型
下载图纸
预览图纸
5IK60GU-A(C-Y)T-5GU3-750KB
下载模型
下载图纸
预览图纸
5IK60RGN-A(C)-5GN3-18K
下载模型
下载图纸
预览图纸
5IK60RGN-A(C)-5GN3-18KB
下载模型
下载图纸
预览图纸
5IK60RGN-A(C)-5GN20-200K
下载模型
下载图纸
预览图纸
5IK60RGN-A(C)-5GN20-200KB
下载模型
下载图纸
预览图纸
5IK60RGN-A(C)MF-5GN3-18K
下载模型
下载图纸
预览图纸
5IK60RGN-A(C)MF-5GN3-18KB
下载模型
下载图纸
预览图纸
5IK60RGN-A(C)MF-5GN20-200K
下载模型
下载图纸
预览图纸
5IK60RGN-A(C)MF-5GN20-200KB
下载模型
下载图纸
预览图纸
5IK60RGN-A(C)MFT-5GN3-18K
下载模型
下载图纸
预览图纸
5IK60RGN-A(C)MFT-5GN3-18KB
下载模型
下载图纸
预览图纸
5IK60RGN-A(C)MFT-5GN20-200K
下载模型
下载图纸
预览图纸
5IK60RGN-A(C)MFT-5GN20-200KB
下载模型
下载图纸
预览图纸
5IK60RGN-A(C)T-5GN3-18K
下载模型
下载图纸
预览图纸
5IK60RGN-A(C)T-5GN20-200K
下载模型
下载图纸
预览图纸
5IK60RGN-A(C)T-5GN20-200KB
下载模型
下载图纸
预览图纸
5IK60RGU-A(C)-5GU3-750K
下载模型
下载图纸
预览图纸
5IK60RGU-A(C)-5GU3-750KB
下载模型
下载图纸
预览图纸
5IK60RGU-A(C)MF-5GU3-750K
下载模型
下载图纸
预览图纸
5IK60RGU-A(C)MF-5GU3-750KB
下载模型
下载图纸
预览图纸
5IK60RGU-A(C)MFT-5GU3-750K
下载模型
下载图纸
预览图纸
5IK60RGU-A(C)MFT-5GU3-750KB
下载模型
下载图纸
预览图纸
5IK60RGU-A(C)T-5GU3-750K
下载模型
下载图纸
预览图纸
5IK60RGU-A(C)T-5GU3-750KB
下载模型
下载图纸
预览图纸
5IK90(120-140)GN-A(C-Y)-5GN3-18K
下载模型
下载图纸
预览图纸
5IK90(120-140)GN-A(C-Y)-5GN3-18KB
下载模型
下载图纸
预览图纸
5IK90(120-140)GN-A(C-Y)-5GN20-200K
下载模型
下载图纸
预览图纸
5IK90(120-140)GN-A(C-Y)-5GN20-200KB
下载模型
下载图纸
预览图纸
5IK90(120-140)GN-A(C-Y)MF-5GN3-18K
下载模型
下载图纸
预览图纸
5IK90(120-140)GN-A(C-Y)MF-5GN3-18KB
下载模型
下载图纸
预览图纸
5IK90(120-140)GN-A(C-Y)MF-5GN3-200K
下载模型
下载图纸
预览图纸
5IK90(120-140)GN-A(C-Y)MF-5GN3-200KB
下载模型
下载图纸
预览图纸
5IK90(120-140)GN-A(C-Y)MFT-5GN3-18K
下载模型
下载图纸
预览图纸
5IK90(120-140)GN-A(C-Y)MFT-5GN3-18KB
下载模型
下载图纸
预览图纸
5IK90(120-140)GN-A(C-Y)MFT-5GN20-200K
下载模型
下载图纸
预览图纸
5IK90(120-140)GN-A(C-Y)MFT-5GN20-200KB
下载模型
下载图纸
预览图纸
5IK90(120-140)GN-A(C-Y)T-5GN3-18K
下载模型
下载图纸
预览图纸
5IK90(120-140)GN-A(C-Y)T-5GN3-18KB
下载模型
下载图纸
预览图纸
5IK90(120-140)GN-A(C-Y)T-5GN3-200K
下载模型
下载图纸
预览图纸
5IK90(120-140)GN-A(C-Y)T-5GN3-200KB
下载模型
下载图纸
预览图纸
5IK90(120-140)GU-A(C-Y)MF-5GU3-750K
下载模型
下载图纸
预览图纸
5IK90(120-140)GU-A(C-Y)MF-5GU3-750KB
下载模型
下载图纸
预览图纸
5IK90(120-140)GU-A(C-Y)MFT-5GU3-750K
下载模型
下载图纸
预览图纸
5IK90(120-140)GU-A(C-Y)MFT-5GU3-750KB
下载模型
下载图纸
预览图纸
5IK90(120-140)GU-A(C-Y)T-5GU3-750K
下载模型
下载图纸
预览图纸
5IK90(120-140)GU-A(C-Y)T-5GU3-750KB
下载模型
下载图纸
预览图纸
5IK90(120-140)RGN-A(C)-5GN3-18K
下载模型
下载图纸
预览图纸
5IK90(120-140)RGN-A(C)-5GN3-18KB
下载模型
下载图纸
预览图纸
5IK90(120-140)RGN-A(C)-5GN20-200K
下载模型
下载图纸
预览图纸
5IK90(120-140)RGN-A(C)-5GN20-200KB
下载模型
下载图纸
预览图纸
5IK90(120-140)RGN-A(C)MF-5GN3-18K
下载模型
下载图纸
预览图纸
5IK90(120-140)RGN-A(C)MF-5GN3-18KB
下载模型
下载图纸
预览图纸
5IK90(120-140)RGN-A(C)MF-5GN3-200K
下载模型
下载图纸
预览图纸
5IK90(120-140)RGN-A(C)MF-5GN3-200KB
下载模型
下载图纸
预览图纸
5IK90(120-140)RGN-A(C)MFT-5GN3-18K
下载模型
下载图纸
预览图纸
5IK90(120-140)RGN-A(C)MFT-5GN3-18KB
下载模型
下载图纸
预览图纸
5IK90(120-140)RGN-A(C)MFT-5GN20-200K
下载模型
下载图纸
预览图纸
5IK90(120-140)RGN-A(C)MFT-5GN20-200KB
下载模型
下载图纸
预览图纸
5IK90(120-140)RGN-A(C)T-5GN3-18K
下载模型
下载图纸
预览图纸
5IK90(120-140)RGN-A(C)T-5GN3-18KB
下载模型
下载图纸
预览图纸
5IK90(120-140)RGN-A(C)T-5GN20-200K
下载模型
下载图纸
预览图纸
5IK90(120-140)RGN-A(C)T-5GN20-200KB
下载模型
下载图纸
预览图纸
5IK90(120-140)RGU-A(C)-5GU3-750K
下载模型
下载图纸
预览图纸
5IK90(120-140)RGU-A(C)-5GU3-750KB
下载模型
下载图纸
预览图纸
5IK90(120-140)RGU-A(C)MF-5GU3-750K
下载模型
下载图纸
预览图纸
5IK90(120-140)RGU-A(C)MF-5GU3-750KB
下载模型
下载图纸
预览图纸
5IK90(120-140)RGU-A(C)MFT-5GU3-750K
下载模型
下载图纸
预览图纸
5IK90(120-140)RGU-A(C)MFT-5GU3-750KB
下载模型
下载图纸
预览图纸
5IK90(120-140)RGU-A(C)T-5GU3-750K
下载模型
下载图纸
预览图纸
5IK90(120-140)RGU-A(C)T-5GU3-750KB
下载模型
下载图纸
预览图纸
5IK90-140(R)A-CMFT
下载模型
下载图纸
预览图纸
5IK90-140(R)GA-CMF(轴11键4)
下载模型
下载图纸
预览图纸
5IK90-140(R)GA-CMFT(轴11键4)
下载模型
下载图纸
预览图纸
5IK90-140A-CF
下载模型
下载图纸
预览图纸
5IK90-140A-CTF
下载模型
下载图纸
预览图纸
5IK90-140GA-CTF
下载模型
下载图纸
预览图纸
5IK90-140RA-CMF
下载模型
下载图纸
预览图纸
5IK90-140RA-CTF
下载模型
下载图纸
预览图纸
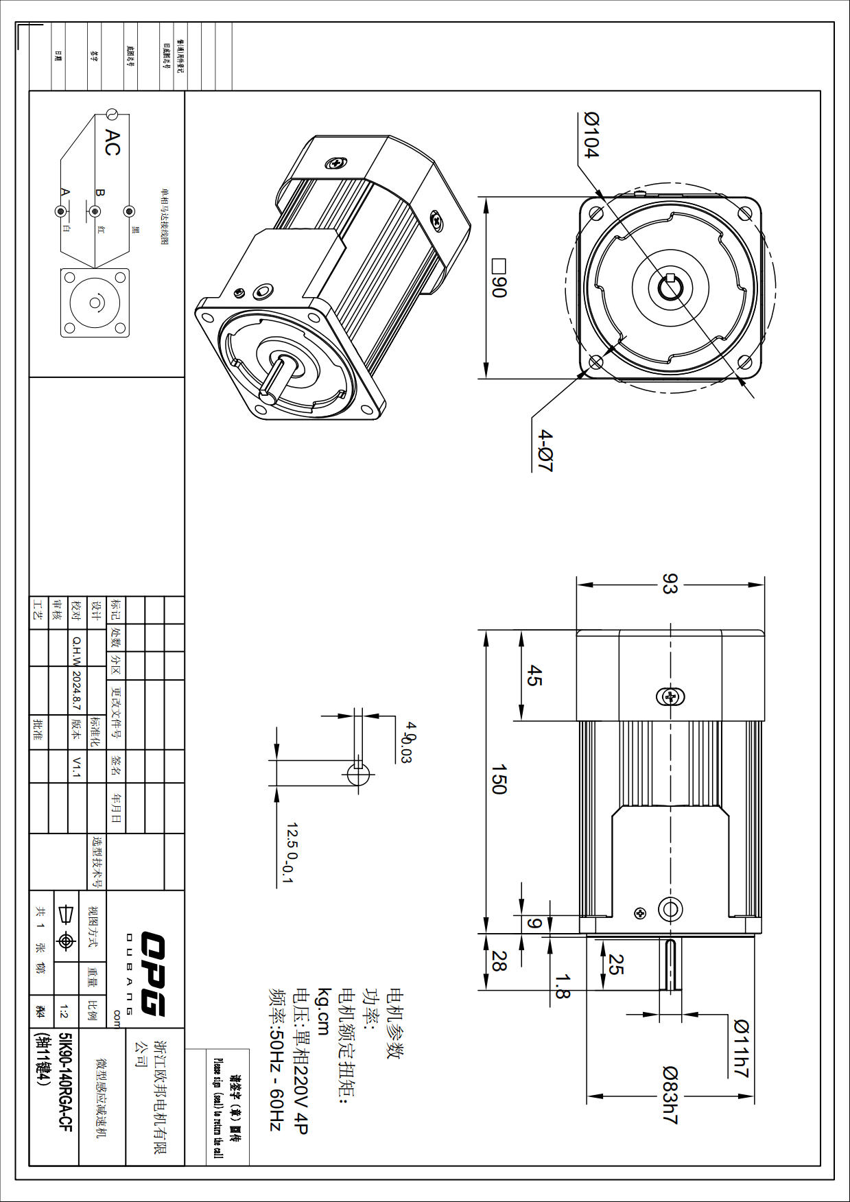
5IK90-140RGA-CF(轴11键4)
下载模型
下载图纸
预览图纸
5IK90-140RGA-CTF(轴11键4)
下载模型
下载图纸
预览图纸
5IK180GU-A(C-Y)-5GU3-750K
下载模型
下载图纸
预览图纸
5IK180GU-A(C-Y)-5GU3-750KB
下载模型
下载图纸
预览图纸
5IK180GU-A(C-Y)MF-5GU3-750K
下载模型
下载图纸
预览图纸
5IK180GU-A(C-Y)MF-5GU3-750KB
下载模型
下载图纸
预览图纸
5IK180GU-A(C-Y)MFT-5GU3-750K
下载模型
下载图纸
预览图纸
5IK180GU-A(C-Y)MFT-5GU3-750KB
下载模型
下载图纸
预览图纸
5IK180GU-A(C-Y)T-5GU3-750K
下载模型
下载图纸
预览图纸
5IK180GU-A(C-Y)T-5GU3-750KB
下载模型
下载图纸
预览图纸
5IK180RGU-A(C)-5GU3-750K
下载模型
下载图纸
预览图纸
5IK180RGU-A(C)-5GU3-750KB
下载模型
下载图纸
预览图纸
5IK180RGU-A(C)MF-5GU3-750K
下载模型
下载图纸
预览图纸
5IK180RGU-A(C)MF-5GU3-750KB
下载模型
下载图纸
预览图纸
5IK180RGU-A(C)MFT-5GU3-750KB
下载模型
下载图纸
预览图纸
5IK180RGU-A(C)T-5GU3-750K
下载模型
下载图纸
预览图纸
5IK180RGU-A(C)T-5GU3-750KB
下载模型
下载图纸
预览图纸
QQ在线咨询
售前咨询
020-00000000
售后服务
020-88888888